耐震壓力表
一、產品概述:
YN-100B系列耐震壓力表能測氣體、液體脈動壓力的平均值,以克服介質強烈脈沖及環境震動對儀表帶來的損害,確保讀數的準確性。壓力表依靠內部沖灌阻尼油和配置緩沖裝置等措施。具有******的耐震性能。適用于被測質的壓力有強烈脈沖變化或壓力沖擊和在生產工藝中經常突然卸荷的場合,以及環境震動較大的場所。
二、工作原理:
YN-100B系列耐震壓力表依靠內部充滿甘油(或硅油),裝有緩沖螺釘等措施。以克服環境強烈震動和介質強烈脈動給壓力表帶來的損害,確保測量精度,因此本儀表適用于介質壓力強烈脈沖和機械振動的場所,測量各種氣體及液體的壓力。
三、應用場合:
YN-100B系列耐震壓力表適用于環境劇烈振動場所,可耐受介質的脈動,沖擊及突然卸荷,儀表指示穩定清晰。廣泛應用于機械、石油、化工、冶金、礦山、電力等部門,測量對銅和銅合金無腐蝕性介質的壓力。
四、安裝注意要求:
1、儀表使用環境溫度為-40~70℃,相對濕度不大于80%,如偏離正常使用溫度20±5℃時,須計入溫度附加誤差。
2、 儀表須***垂直安裝,力求與測定點保持同一水平,如相差過高計入液柱所引起的附加誤差,測量氣體時可不必考慮。安裝時將表殼后部防爆口阻塞,以免影響防爆性能。
3、儀表正常使用的測量范圍:在靜壓下不超過測量上限的3/4,在波動下不應超過測量上限的2/3。在上述兩種壓力情況下大壓力表測量***低都不應低于下限的1/3,測量真空時真空部分全部使用。
4、使用時如遇到儀表指針失靈或內部機件松動、不能正常工作等故障時應進行檢修,或聯系生產廠家維修。
5、儀表應避免震動和碰撞,以免損壞。
五、主要特點:
1、性能穩定,測量精度較高,反應速度較快。
2、測量的是總壓力,包括氣體和蒸汽的壓力。
3、測量的結果與氣體種類、成分及其性質無關。
4、測壓過程中,壓力表本身吸氣和放氣很小,不會對被測氣壓產生影響。
5、內部沒有高溫部件,不會使油蒸汽分解。
6、若選用耐腐蝕材料制造,可測量腐蝕性氣體壓力。
7、結構牢固,而且便于密封和安裝。
8、操作簡便,不需調整,但需要定期校驗。
六、技術參數:
型號 | 結構形式 | 準確度% | 測量范圍 MPa |
YN-50Z | 軸向無邊 | ±2.5 | -0.1~0;-0.1~0.06;-0.1~0.15;-0.1~0.3;-0.1~0.5;-0.1~0.9;-0.1~1.5;-0.1~2.4;0~0.1;0~0.16;0~0.25;0~0.4;0~0.6;0~1.0;0~1.6;0~2.5;0~4;0~6;0~10;0~16;0~25;0~40;0~60;0~100; |
YN-60B YN-60T YN-60Z YN-60ZQ | 徑向無邊 徑向帶后邊 軸向無邊 軸向帶前邊 | ||
YN-75B YN-75T YN-75Z YN-75ZQ | 徑向無邊 徑向帶后邊 軸向無邊 軸向帶前邊 | ||
YN-100B YN-100T YN-100Z YN-100ZQ | 徑向無邊 徑向帶后邊 軸向無邊 軸向帶前邊 | ±1.6 | |
YN-150B YN-150T YN-150Z YN-150ZQ | 徑向無邊 徑向帶后邊 軸向無邊 軸向帶前邊 | ||
注:軸向可按要求帶方形前邊。 | |||
使用工作溫度:-5℃~55℃;-25℃~55℃
使用工作環境振動頻率不大于25Hz,振幅不大于1mm
儀表執行標準:Q/320211 DGH01-2003
七、選型編碼: 
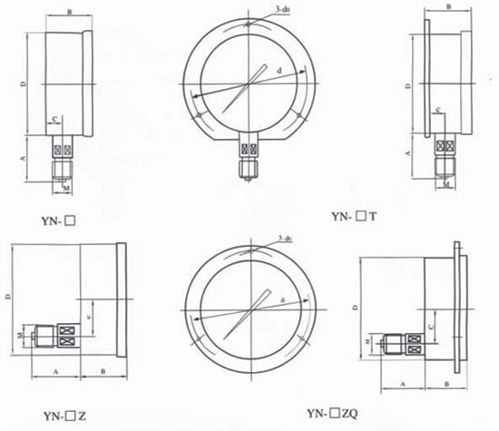
八、外形尺寸:
型號 | 外形尺寸 mm | ||||||
A | B | C | D | d | d0 | M | |
YN-50Z | 29 | 24 | 0 | 50 | / | / | 14X1.5 |
YN-60 | 31 | 32 | 14 | 60 | / | / | |
YN-60T | 31 | 32 | 15 | 75 | 3.4 | ||
YN-60Z | 30 | 32 | 0 | / | / | ||
YN-60ZQ | 30 | 32 | 0 | 75 | 3.4 | ||
YN-75 | 24 | 30 | 12 | 75 | / | / | |
YN-75T | 24 | 30 | 12 | 90 | 5.5 | ||
YN-75Z | 24 | 30 | 0 | / | / | ||
YN-75ZQ | 24 | 30 | 0 | 90 | 5.5 | ||
YN-100 | 44 | 45 | 18 | 100 | / | / | 20X1.5 |
YN-100T | 44 | 46 | 19 | 118 | 5.5 | ||
YN-100Z | 43 | 45 | 34 | / | / | ||
YN-100ZQ | 43 | 45 | 44 | 118 | 5.5 | ||
YN-150 | 50 | 47 | 19 | 149 | / | / | 20X1.5 |
YN-150T | 50 | 48 | 20 | 165 | 5.5 | ||
YN-150Z | 51 | 47 | 55 | / | / | ||
YN-150ZQ | 51 | 47 | 55 | 165 | 5.5 | ||
注:連接螺紋可按要求訂貨 | |||||||

九、設計使用與訂貨須知:
1、使用中因環境溫度過高,儀表指示值不回零位,可用細針在儀表橡皮塞上通一小孔,使儀表內腔與大氣相通即可。
2、工作環境應無腐蝕性氣體。
3、訂貨請說明名稱、型號及測量范圍。
售后服務承諾:
1、我公司所售壓力表系列產品在十二個月以內出現質量問題的,負責免費維修。
2、質保期內如我公司產品出現任何質量問題,我公司負責免費維修或更換。
3、質保期內如用戶使用不當,造成產品損壞,我公司負責維修,收取損壞部件成本費。
4、質保期后產品出現質量問題,我公司負責維修,收取損壞部件成本費。
5、如用戶需我公司現場服務,對省內用戶我公司服務人員12小時內到達現場,省外用戶48小時內到達現場。

